Электромагнитный клапан (соленоидный) ОвенКомплектАвтоматика RBMC-200-20-24VDC
Нормально закрытый соленоидный клапан непрямого (пилотного) действия – это электромагнитный клапан, в котором закрытое положение сохраняется при отсутствии управляющего напряжения. Запорный орган (мембрана или поршень, в зависимости от типа клапана) герметично прижат силой действия пружины и давлением рабочей среды к седлу уплотнительной поверхности. Пилотный канал закрыт подпружиненным плунжером. Давление в верхней полости клапана (над мембраной) поддерживается через перепускное отверстие в мембране (или через канал в поршне) и равно давлению на входе в клапан. Клапан электромагнитный находится в закрытом положении, пока катушка не окажется под напряжением.
Используется, для эксплуатации в системах водоснабжения, отопления, системах ГВС, системах пневмоуправления – везде, где присутствует давление в трубопроводе.
Особенности:
- Для работы соленоидных клапанов пилотного действия необходим минимальный перепад давления (ΔP от 0,3 bar) – разница давлений на входе и на выходе клапана.
- Достоинства подобных клапанов — в отличие от клапанов прямого действия более широкий диапазон рабочего давления и диаметров условного прохода.
- Высокая частота срабатывания.
Рабочая среда: вода, горячая вода, воздух, инертные газы, масла.
Материалы:
• корпуса – пластик BMC;
• уплотнения – NBR.
Рабочая температура клапана для уплотнения:
• NBR: −5...+80°С.
Рабочее давление: 0,0...0,7 МПа.
Присоединение: резьбовое ½", ¾", 1".
Ду, мм: 16, 20, 25.
Питание: AS01: ~24 В, ~110 В, ~220 В; AS02: =12 В, =24 В.
Катушки: AS01, 26 ВА (AC); AS02, 30 Вт (DC).
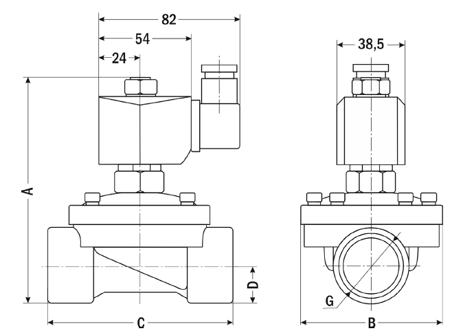
Габаритный чертеж

| Размер, мм | RBMC-200-20 |
|---|---|
| A | 123 |
| B | 67 |
| C | 79,5 |
| D | 18,5 |
| G | ¾" |
Контакты
Наш офис
109428, Москва, БЦ Юнион, Рязанский проспект 24 корпус 2, 11 этаж, офис 1101
График: Пн-Пт 09:00 - 18:00
Наш склад
109456, Москва, 1-й Вешняковский проезд, дом 2, строение 6
График: Пн-Пт 09:00 - 18:00
