Твердотельное реле ОВЕН HD-8025.LA
Особенности управления и коммутации нагрузки
Тип нагрузки и рекомендуемые пределы тока коммутации: резистивная нагрузка от 8 до 60 А (в зависимости от модификации).
Тип управляющего сигнала: унифицированный токовый сигнал 4…20 мА.
Максимальный диапазон регулирования напряжения: 10…250 VAC.
ВНИМАНИЕ! Если значение коммутируемого тока ≥ 5 А, то использование радиатора охлаждения строго обязательно!
Рекомендуемые токи нагрузки твердотельных реле серии HD-xx25.LA
| Модификация ТТР | Рекомендуемый предельный ток нагрузки | Максимально допустимый ток нагрузки |
|---|---|---|
| Резистивная нагрузка | ||
| HD-xx25.LA | ||
|
HD-1025.LA |
8 A |
10 A |
|
HD-2525.LA |
19 A |
25 A |
|
HD-4025.LA |
30 A |
40 A |
|
HD-6025.LA |
45 A |
60 A |
|
HD-8025.LA |
60 A |
80 A |
Конструктивные особенности твердотельных реле серии HD-xx25.LA
- Медное основание позволяет отводить избыточное тепло от силового элемента с максимальной эффективностью.
- Симисторный силовой элемент – являясь бюджетным решением для ТТР, обеспечивает надежную коммутацию рекомендуемых токов для данной серии твердотельных реле.
Особенности корпуса твердотельных реле серии HD-xx25.LA
- Стандартный типоразмер корпуса, унифицированный с подавляющим большинством аналогичных моделей ТТР, представленных сегодня на рынке.
- Корпуса ТТР HD-xx25.LA выполнены из специального пластика, обладающего высокой термостойкостью. Данный материал аналогичен по своим свойствам карболиту, но не обладает хрупкостью. Прочностные свойства корпуса обеспечивают его целостность даже при возникновении короткого замыкания.
- Все электронные компоненты твердотельного реле и элементы его корпуса полностью залиты компаундом. Это делает корпус ТТР абсолютно герметичным и препятствует попаданию внутрь пыли и влаги, обеспечивая надежную и стабильную работу ТТР даже в неблагоприятных условиях эксплуатации (степень защиты IP 54 по ГОСТ 14254 без учета клемм присоединения).
ВНИМАНИЕ! Более дешевые материалы, используемые для изготовления корпуса, не могут обеспечит его целостность при коротком замыкании.
Габаритные размеры

Габаритные размеры и масса: 57×43,5×29 мм; ≤ 150 г
Корпус и рекомендации по монтажу твердотельных реле серии HD-xx25.LA
|
Материал основания |
Алюминий |
|
|
Индикация |
Светодиод для контроля наличия входного сигнала |
|
|
Тип монтажа |
Крепление винтами на плоскость |
|
|
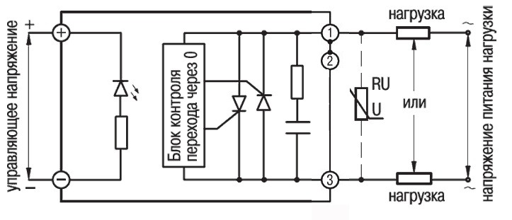
Рекомендации по схеме включения |
Рекомендуется установить варистор параллельно цепи нагрузки (см. схему включения) |
|
Контакты
Наш офис
109428, Москва, БЦ Юнион, Рязанский проспект 24 корпус 2, 11 этаж, офис 1101
График: Пн-Пт 09:00 - 18:00
Наш склад
109456, Москва, 1-й Вешняковский проезд, дом 2, строение 6
График: Пн-Пт 09:00 - 18:00

