Твердотельное реле ОВЕН BDH-25044.ZD3
Однофазные ТТР BDH-xx44.ZD3 – это серия твердотельных реле в корпусах промышленного стандарта, специально разработанных для коммутации нагрузок большой мощности. Благодаря своим конструктивным особенностям и широкому диапазону коммутируемых токов реле этих серий позволяют успешно решать различные задачи по управлению индуктивной и резистивной нагрузкой.
Особенности управления и коммутации нагрузки
- Широкий диапазон управляющего сигнала: 3…32 VDC.
- Тип нагрузки и рекомендуемые пределы тока коммутации: максимальный ток нагрузки от 60 до 250 А (в зависимости от модификации). Резистивная нагрузка от 75 до 188 А – для BDH-xx44.ZD3 (в зависимости от модификации); индуктивная нагрузка от 10 до 25 А – для BDH-xx44.ZD3 (в зависимости от модификации).
- Широкий диапазон коммутируемого напряжения 40…440 VAC.
- Коммутация при переходе напряжения через «ноль» снижает коммутационные помехи.
- Высокое значение пикового напряжения для BDH-xx44.ZD3 1100 VAC (11 класс).
- Подходят для коммутации как однофазной, так и трехфазной нагрузки.
-
Позволяют коммутировать трехфазную нагрузку с любой схемой включения:
- звезда;
- звезда с нейтралью;
- треугольник.
ВНИМАНИЕ! Если значение коммутируемого тока ≥ 5 А, то использование радиатора охлаждения строго обязательно!
Рекомендуемые токи нагрузки твердотельных реле серий BDH-xx44.ZD3
| Модификация ТТР | Рекомендуемые токи нагрузки | Максимально допустимые токи нагрузки | |
|---|---|---|---|
| резистивная нагрузка | индуктивная нагрузка | ||
| BDH-xx44.ZD3 | |||
|
BDH-10044.ZD3 |
75 A |
10 A |
100 A |
|
BDH-12044.ZD3 |
90 A |
12 A |
120 A |
|
BDH-15044.ZD3 |
113 A |
15 A |
150 A |
|
BDH-20044.ZD3 |
150 A |
20 A |
200 A |
|
BDH-25044.ZD3 |
188 A |
25 A |
250 A |
Конструктивные особенности твердотельных реле серии BDH-xx44.ZD3
ТТР данной серии ориентированы на коммутирование мощной нагрузки с большими токами. Большие токи вызывают значительное выделение тепла. В связи с этим в конструкции ТТР BDH-xx44.ZD3 применяются особые конструктивные решения, призванные обеспечить надежность ТТР и увеличить эффективность отведения тепла от силовых ключей.
• Использование в конструкции ТТР особых силовых ключей тиристоров SCR-типа*.
• Сочетание таких тиристоров с основанием из меди, обладающим отличной теплопроводностью.
• Встроенная RC-цепочка, шунтирующая выход, повышает надежность работы ТТР в условиях импульсных помех, особенно при коммутации индуктивной нагрузки.
* – полупроводниковые элементы, которые наносятся напылением на керамическую подложку, прочно связанную с медным основанием твердотельного реле.
Особенности корпуса твердотельных реле серии BDH-xx44.ZD3
- Стандартный типоразмер корпуса, унифицированный с подавляющим большинством аналогичных моделей ТТР, представленных сегодня на рынке.
- Корпус ТТР BDH-xx44.ZD3 выполнен из специального пластика, обладающего высокой термостойкостью. Данный материал аналогичен по своим свойствам карболиту, но не обладает хрупкостью. Прочностные свойства корпуса обеспечивают его целостность даже при возникновении короткого замыкания.
- Все электронные компоненты твердотельного реле и элементы его корпуса полностью залиты компаундом. Это делает корпус ТТР абсолютно герметичным и препятствует попаданию внутрь пыли и влаги, обеспечивая надежную и стабильную работу ТТР даже в неблагоприятных условиях эксплуатации (степень защиты IP 54 по ГОСТ 14254 без учета клемм присоединения).
ВНИМАНИЕ! Более дешевые материалы, используемые для изготовления корпуса, не могут обеспечит его целостность при коротком замыкании.
Габаритные размеры и масса
Габаритные размеры и масса: 94×34×43 мм; ≤235 г

Корпус и рекомендации по монтажу твердотельных реле серии BDH-xx44.ZD3
|
Материал основания |
Медь, гальванизированная никелем |
|
|
Индикация |
Светодиод для контроля наличия входного сигнала |
|
|
Тип монтажа |
Крепление винтами на плоскость на радиатор с вентилятором |
|
|
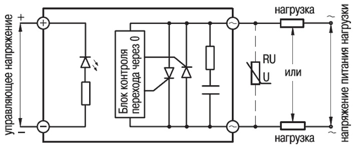
Рекомендации по схеме включения |
При управлении индуктивной нагрузкой необходимо установить варистор параллельно цепи нагрузки (см. схему включения) |
|
Контакты
Наш офис
109428, Москва, БЦ Юнион, Рязанский проспект 24 корпус 2, 11 этаж, офис 1101
График: Пн-Пт 09:00 - 18:00
Наш склад
109456, Москва, 1-й Вешняковский проезд, дом 2, строение 6
График: Пн-Пт 09:00 - 18:00

