* Цена указана с учетом максимальной скидки (зависит от объема закупки)
Шаровой клапан Belimo R7050R25-B3 Ду50
* Цена указана с учетом максимальной скидки (зависит от объема закупки)

3-ходовый регулирующий шаровой кран:
• открытые и закрытые системы горячей и холодной воды
• для плавного регулирования воды в системах подготовки воздуха и отопления
• полностью герметичен
Управление
Регулирующий клапан управляется при помощи поворотного электропривода. Поворотные электроприводы управляются стандартным сигналом 0…10 В= или по 3-позиционной схеме и поворачивают шар внутри крана – регулирующее устройство – в открытое положение согласно управляющему сигналу. Кран открывается в направлении против часовой стрелки и закрывается по часовой стрелке.
Характеристика потока
Равно-процентная характеристика потока обеспечивается встроенным корректирующим диском.
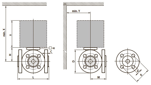
Габаритные размеры

|
DN [мм] |
Тип |
Вес [кг] |
L [мм] |
H [мм] |
M [мм] |
X [мм] |
Y [мм] |
|||
| 15 | R7015RP63-B1 | 1,8 | 101.5 | 36 | 73 | 230 | 90 | |||
| 15 | R7015R1P6-B1 | 1,8 | 101.5 | 45 | 73 | 230 | 90 | |||
| 15 | R7015R4-B1 | 1,8 | 101.5 | 45 | 73 | 230 | 90 | |||
| 20 | R7020R6P3-B1 | 2,4 | 112 | 47.5 | 79 | 235 | 90 | |||
| 25 | R7025R10-B2 | 2,5 | 132 | 47.5 | 92 | 235 | 90 | |||
| 32 | R7032R16-B3 | 3,4 | 1 43.5 | 52 | 1 02.5 | 240 | 90 | |||
| 40 | R7040R16-B3 | 4 | 1 49.5 | 52 | 105 | 240 | 90 | |||
| 50 | R7050R25-B3 | 5,6 | 165 | 58 | 121 | 245 | 90 | |||
Контакты
Наш офис
109428, Москва, БЦ Юнион, Рязанский проспект 24 корпус 2, 11 этаж, офис 1101
График: Пн-Пт 09:00 - 18:00
Наш склад
109456, Москва, 1-й Вешняковский проезд, дом 2, строение 6
График: Пн-Пт 09:00 - 18:00
