Контроллер для управления двумя газовыми или жидкотопливными котлами ОВЕН КТР-121.24.02.20
КТР-121.02 предназначен для управления каскадом котлов. Применяется на отопительных и производственных котельных с автоматизированными газовыми и жидкотопливными горелками. Каскадный контроллер – решение для автоматизации котельной с целью оптимизации ее работы и снижения затрат на обслуживание оборудования.
Функциональные возможности
- Регулирование температуры подачи в общем коллекторе или трубопроводе.
- Погодозависимое регулирование температуры подачи воды.
- Управление каскадом до 4-х котлов.
- Совместимость с одно-, двухступенчатыми или модулируемыми горелками.
- Автоматическая смена ведущего котла по времени наработки.
- Контроль обратной связи каждой горелки.
- Контроль безопасности котельной (Пожар, Загазованность, Давление газа на вводе, Взлом).
- Контроль давления воды в общем коллекторе или трубопроводе.
- Применение с датчиками РТ100/РТ1000 и 100М.
Расширение функциональных возможностей
Общекотельные аварии
Подключение к любому каскадному регулятору модуля ОВЕН ПРМ расширяет возможности контроля и диспетчеризации общекотельных аварий. Для использования функций модуля достаточно подключить модуль ПРМ к каскадному контроллеру по внутренней шине.
|
Входные сигналы |
Контрольные лампы |
|
|
Тепловые регуляторы контуров отопления и ГВС
Подключение к каскадному регулятору КТР-121.02 контроллеров линейки КТР-121.х.03.х обеспечивает возможность управления контурами отопления и ГВС. В комплекте с датчиками и исполнительными механизмами КТР-121.х.03.х осуществляет контроль и регулирование температуры и давления, управляет циркуляционными насосами контуров и контуров подпитки.
Удаленный контроль и управление котельной через облачный сервис OwenCloud
Облачный сервис OwenCloud включает в себя готовые шаблоны настроек для приборов КТР-121 и позволяет легко подключить приборы линейки КТР-121 для контроля и управления котельной в любое время из любого места.
Возможности:
- Удаленный контроль и управление.
- Просмотр данных и статистики работы котельной.
- Аварийные уведомления на почту или SMS.
- Отображение объектов на карте.
- Сохранение и экспорт данных для составления отчетностей.
Типовые схемы управления каскадом котлов
Условные обозначения
|
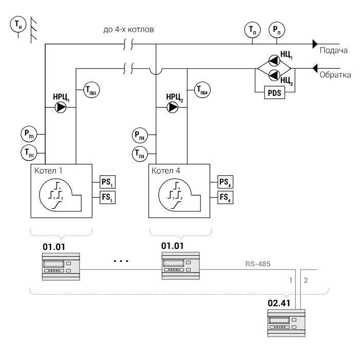
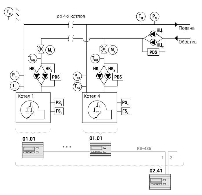
Тн – температура наружного воздуха Рп – давление подачи Тп – температура подачи Тоб – температура обратной воды Тот – температура контура отопления Тгвс – температура контура ГВС Тк1, Тк2 – температура контура отопления Тб – температура бойлера |
PSD – реле перепада давления PS – реле давления FS – реле протока НК – насос котловой НРЦ – насос рециркуляции НЦ – насос циркуляционный НП – насос подпиточный М – клапаны регулирующие с электроприводом |
Для каскада из двух котлов
| Для каскада из 2-х котлов с прямым управлением горелками |
![]() |
| Для каскада от 2 до 4-х котлов с прямым управлением горелками |
![]() |
Для каскада до 4-х котлов
| Для каскада до 4-х котлов с контролем параметров каждого котла |
![]() |
| Для каскада до 4-х котлов с сетевыми насосами |
![]() |
| Для каскада до 4-х котлов с регулированием общей температуры обратной воды |
![]() |
| Для каскада до 4-х котлов с сетевыми насосами и подпиткой |
![]() |
| Для каскада до 4-х котлов с насосами байпаса на каждом котле |
![]() |
| Для каскада до 4-х котлов с котловыми насосами и регулированием температуры обратной воды на каждом котле |
![]() |
| Для каскада до 4-х котлов с контурами отопления на насосно-смесительный узел и ГВС на бройлер |
![]() |
| Для каскада до 4-х котлов с контурами отопления и ГВС на теплообменник |
![]() |
Габаритные и установочные размеры

Видео
| КТР-121.01.10 контроллер для котла. Изменения в прошивке 3.0 | КТР-121.02.20/40 контроллер для каскада котлов. Изменения в прошивке 3.0 | КТР-121.02.41 контроллер для каскада котлов. Изменения в прошивке 3.0 |
| Telegram-бот для КТР-121 | ОВЕН КТР-121. Знакомство с линейкой | ОВЕН КТР-121. Каскадные регуляторы |
| ОВЕН КТР-121. Работа каскадных контроллеров ОВЕН КТР-121 совместно с котловыми регуляторами | ОВЕН КТР-121. Работа тепловых регуляторов КТР-121 | Прошивка КТР-121 через Owen Configurator |
| Передача данных с КТР-121 в сеть Ethernet | Конфигуратор подбора автоматики. Как пользоваться? |
Контакты
Наш офис
109428, Москва, БЦ Юнион, Рязанский проспект 24 корпус 2, 11 этаж, офис 1101
График: Пн-Пт 09:00 - 18:00
Наш склад
109456, Москва, 1-й Вешняковский проезд, дом 2, строение 6
График: Пн-Пт 09:00 - 18:00













