Индуктивный датчик расстояния LANBAO LR18XCN08LIUM-E2
Артикул LR18XCN08LIUM-E2
Резьба
M12
Количество контактов
4
Материал корпуса
Никелированная латунь
Расстояние срабатывания, мм
8
Размер резьбы корпуса
M18
Корпус
Резьбовой
Соединение
Разъем
Индикация
Желтый светодиод LED
Напряжение питания, В
18-30 DC
Частота
100
Температура эксплуатации
-25...+70
Монтаж
незаподлицо
Защита от переполюсовки
да
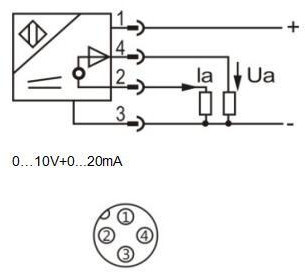
Аналоговый выход по напряжению, В
0-10
Аналоговый выход по току, мА
0-20
Защита от переполюсовки
да
| Размер резьбы корпуса | M18 |
| Артикул | LR18XCN08LIUM-E2 |
| Защита от переполюсовки | да |
| Индикация | Желтый светодиод LED |
| Корпус | Резьбовой |
| Материал корпуса | Никелированная латунь |
| Напряжение питания, В | 18-30 DC |
| Расстояние срабатывания, мм | 8 |
| Соединение | Разъем |
| Степень защиты | IP67 |
| Монтаж | незаподлицо |
| Резьба разъема | M12 |
| Частота переключения, Гц | 100 |
| Число контактов, pin | 4 |
| Температура эксплуатации, °C | -25...+70 |
| Аналоговый выход по напряжению, В | 0-10 |
| Аналоговый выход по току, мА | 0-20 |
Цены, наличие и другие данные, указанные на сайте, не являются публичной офертой. Для уточнения информации свяжитесь, пожалуйста, с нашими специалистами любым удобным для Вас способом
Контакты
Офис
Склад
Наш офис
109428, Москва, БЦ Юнион, Рязанский проспект 24 корпус 2, 11 этаж, офис 1101
График: Пн-Пт 09:00 - 18:00
Наш склад
109456, Москва, 1-й Вешняковский проезд, дом 2, строение 6
График: Пн-Пт 09:00 - 18:00
