Частотный преобразователь Веспер E5-8600-002Н 1,5 кВт 380В
Новая серия Е5-8600 подходит для большинства общепромышленных применений для нагрузкам как с переменным, так и с постоянным моментом, что делает ее наиболее привлекательной по соотношению цена/функционал.
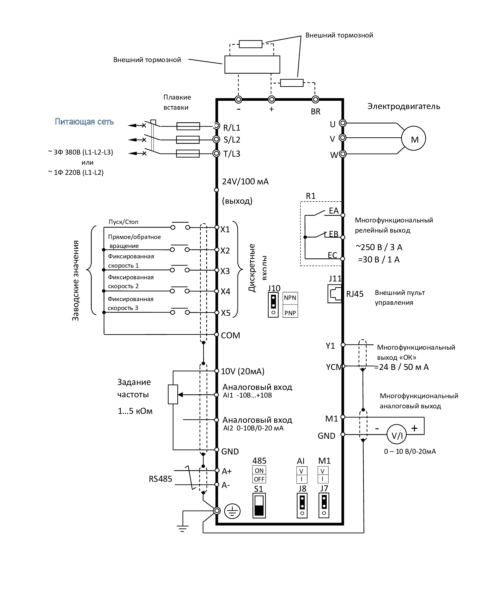
Серия Е5-8600 имеет расширенный функционал и современный дизайн со съемной панелью управления на русском языке с цифровым потенциометром для задания частоты.
Преобразователи серии Е5-8600 в векторном режиме работы (SVC) отличаются высоким пусковым моментом (150%/0,25 Гц), широким диапазоном регулирования и точностью поддержания скорости ±0,2%.
Преобразователи серии Е5-8600 имеют ПИД-регулятор с индикацией реальной физической величины, встроенный сетевой протокол MODBUS (интерфейс RS-485) и встроенный фильтр ЭМС.
Эффективная система охлаждения позволяет работать при температуре окружающей среды до +50°C.
Преимущества и особенности конструкции частотных преобразователей Веспер E5-8600-002H 1,5 кВт 380В
- Скалярное и векторное (SVC) управление двигателем
- Возможность управления скоростью и моментом
- Стартовый момент 150%/0,25 Гц (SVC)
- Точность поддержания скорости ±0,2% (SVC)
- Управление PNP/NPN
- Режим работы «Ведущий/ведомые»
- ПИД-регулятор с индикацией реальной величины
- Съемная панель управления на русском языке с цифровым потенциометром для задания частоты
- Выходная частота до 600 Гц/3000 Гц
- 16 фиксированных скоростей
- Режим работы по запрограммированному алгоритму
- Частота ШИМ 1-16 кГц
- Снижение акустического шума двигателя (случайная ШИМ)
- Встроенный ЭМИ-фильтр
- Сетевые протоколы связи Modbus RTU (скорость передачи до 115200 бит/сек)
Особенности конструкции
- Источник питания 24В/100мА
- Потенциальные и токовые входы/выходы
- Степень защиты IP21
- Рабочая температура до +50°С
- Съемная панель управления с цифровым потенциометром для задания частоты
- Возможность работы с выносным (внешним) пультом управления
- Возможность копирования параметров с помощью выносного пульта
- Возможность работы с WI-FI модулем (опция)
Основные характеристики
- мощность — 1.5 кВт;
- напряжение — 380 В;
- номинальный выходной ток — 4.2 А;
- степень защиты — IP 21.
Контакты
Наш офис
109428, Москва, БЦ Юнион, Рязанский проспект 24 корпус 2, 11 этаж, офис 1101
График: Пн-Пт 09:00 - 18:00
Наш склад
109456, Москва, 1-й Вешняковский проезд, дом 2, строение 6
График: Пн-Пт 09:00 - 18:00
